(1)单片机
选用INTEL公司生产的8031单片机。该机主要通过并行8255口担负控制系统的信号处理,接收系统对转矩、阀门开启、关闭及阀门开度等设定信号,并提供三相PWM波发生器SA8282所需要的控制信号,处理IPM发出的故障信号和报警信号,处理通过模拟输入口接收的电流、电压和位置等检测信号,提供显示电动调节阀的工作状态信号,执行控制系统来的控制信号,向控制系统反馈信息。
(2)三相PWM波发生器
PWM波的产生通常有模拟和数字两种方法。模拟法电路复杂,有温漂现象,精度低,限制了系统的性能。数字法是按照不同的数字模型用计算机算出各切换点,并存入内存,然后通过查表及必要的计算产生PWM波。这种方法占用的内存较大,不能保证系统的精度。为了满足智能功率模块所需要的PWM波控制信号,保证微处理器有足够的时间进行整个系统的检测、保护和控制等功能,选用MITEI一公司生产的SA8282作为三相PWM发生器。SA8282是专用大规模集成电路,具有独立的标准微处理器接口,芯片内部包含了波形、频率和幅值等控制信息。
(3)智能功率模块IPM
为了满足电动调节阀体积小,可靠性高的要求,电机电源采用智能功率模块IPM。该调节阀主要适用功率小于5.5kW的三相异步电机,其额定电压为380V,功率因数为0.75。经计算可知,选用日本产的智能功率模块PM50RSA120可以满足系统要求。该功率模块集功率开关、驱动电路和制动电路于一体,并内置过电流、短路、欠电压和过热保护以及报警输出,是一种高性能的功率开关器件。
(4)位置检测电路
位置检测电路的功能是提供准确的位置信号。关键问题是位置传感器的选型。在传统的电动调节阀中多采用绕线电位器、差动变压器和导电塑料电位器等。绕线电位器因寿命短而被淘汰,差动变压器由于线性区太短和温度特性不理想而受到限制,导电塑料电位器目前较为流行,但因其有触点式结构, 使用寿命短,精度低。因此采用无触点的脉冲数字式传感器,这种传感器,具有精度高,无线性区限制,稳定性高,无温度限制等特点。
(5)电压和电流检测
检测电压和电流主要是为了计算电机的力矩, 以及变频器输出回路短路、断相保护和逆变模块故障诊断。由于变频器输出的电流和电压的频率范围为0~50Hz,采用常规的电流和电压互感器无法满足要求。为了快速反映出电流的大小,采用霍尔型电流互感器IPM 输出的三相电流,对于IPM输出电压的检测采用分压电路(图1)。

图1.IPM输入电流和电压检测
(6)通讯接口
为了实现计算机联网和远程控制,选用MAX232作为系统的串行通讯接口,MAX232内部有两个完全相同的电平转换电路,可以把8031串行口输出的TTL电平转换为RS232标准电平, 把其他微机送来的RS232标准电平转换成TTL电平给8031,实现单片机与其他微机间的通讯。
(7)时钟电路
时钟电路主要用来提供采样和控制周期的速度计算时所需要的时间以及日历。时钟电路选用DS12887。另外,DS12887内部还有114字节的用户非易失性RAM,可用来存入需长期保存数据。
(8)液晶显示单元
为了实现人机对话功能,选用MGLS12832液晶显示模块组成显示电路。采用组态显示方式。通过菜单选择,可分别对阀门、力矩、限位、电机、通讯和参数等信号进行设置或调试。并采用文字和图形相结合的方式,显示直观,清晰。
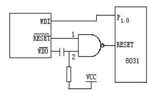
(9)程序出格自恢复电路
为了保证在强干扰下程序出格时。系统能够自动地恢复正常,选用MAX705组成程序出格自恢复电路,监视程序运行(图3)。该电路由MAX705和与非门组成。当程序出格时,WDO由高变低,由于微分电路的作用, 由与非门输入引脚2变为高电平,引脚2电平的这种变化使与非门输出一个正脉冲,单片机产生一次复位,复位结束后,又由程序通过P1.0口向MAX705的WDI引脚发正脉冲,使WDO引脚回到高电平。程序出格自恢复电路继续监视程序运行。

图2.程序出格自恢复电路
了解更多产品详情请登录http://www.zjcz-v.com